8 800 700-20-81
Корзина
Загрузка...
Каталог
Меню
Поиск
Корзина
8 800 700-20-81

Зажим для банок с крышками СКО

ХИТ
Простой обмен и возврат
Нет в наличии
Зажим для банок с крышками СКО
290 
В корзину
290 
Заказать по телефону
290 
(-26%)
В корзину
Заказать по телефону

Информация о доставке

Изменить

Зажим для банок с крышками СКО

Зажим предназначен для прочной фиксации закаточной крышки на стеклянной банке объемом от 0.5 до 3 л, предотвращает ее срыв во время приготовления тушенки и другой консервации в автоклаве.

Зажим надевается после закупорки металлической крышки на стеклянной банке и остается на банке до полного приготовления тушеного мяса во время стерилизации. Снять зажим с банки можно лишь после её полного остывания.

При использовании банок под закаточные крышки, сначала используйте специальную машинку для закатки крышек на банку. После чего на каждую банку установите специальные зажимы во избежании срыва крышек во время приготовления.

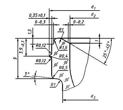
Зажимы для банок СКО используются только для банок указанных в ГОСТ 5717.2-2003 с венчиком типа I номером 82 мм, сечение горловины банки представлено на рисунке ниже. 

Соответствует требованиям ТР ТС 005/2011 “О безопасности упаковки”, ТУ 25.92.13-001-61333997-2020, ЕАЭС N RU Д-RU.ПХ01.В.05795/20 от 27.02.2020 по 26.02.2025

Внимание! Использование банок с крышками под закатку без зажимов приведет к срыву крышки с банки за счет разницы в давлении при остывании во время процесса автоклавирования, что приведет к порче продукта. После срыва крышки повторное использование будет невозможно.

Устройство для консервации изготовлено из алюминиевого сплава. Перед использованием необходимо промыть.

Для открытия закаточных крышек применяются специальные устройства (приобретаются отдельно), при их отсутствии применяют подручные инструменты.

Повторное использование закаточных крышек для дальнейшего приготовления в автоклаве запрещается.

Характеристики

Материал изготовления алюминиевый сплав
Количество в упаковке 1 шт.
Рейтинг товара  3.8 / 5
5 звезд
3
4 звезды
0
3 звезды
1
2 звезды
0
1 звезда
1
20 апреля 2022
Нижнекамск
Общее впечатление:
Товар качественный
Достоинства:
Держит хорошо
Недостатки:
нет
Фабрика Заготовщика
Ризван, спасибо за отзыв)
21 декабря 2021
Урай
Общее впечатление:
Только положительные эмоции
Достоинства:
Быстрая доставка, хорошая упаковка
Недостатки:
Не обнаружено
Комментарий:
Качество товара отвечает требованиям
Фабрика Заготовщика
Юрий, благодарим за отзыв.
16 ноября 2021
Нижний Новгород
Общее впечатление:
Заказ отправили в день заказа. Устройство понравилось легкостью и простотой
Достоинства:
Купила устройства для консервирования мяса. Это такие нахлобучки на крышки СКО, чтоб не открывались при автоклавировании. Очень просты в использовании и сглаживают недостатки качества крышек и ошибки при закручивании. Дополнительно прислали купон на розыгрыш призов.
Недостатки:
Я давно искала такое устройство, но по названию "устройство для консервирования мяса" невозможно его соотнести с крышками СКО, с автоклавом. Если бы название было "устройство для автоклавирования для крышек СКО" покупателям было бы проще отыскать товар.
Фабрика Заготовщика
Ирина, благодарим за отзыв!
Для удобства поиска данного товара название переименовали, спасибо за ваше мнение :)
Задайте вопрос о товаре

Долями

73 ₽
25%
Платеж сегодня
73 ₽
25%
Через 2 недели
73 ₽
25%
Через 4 недели
73 ₽
25%
Через 6 недель
  • Оплачивайте покупки частями — по 25% каждые две недели
  • Никаких дополнительных платежей — как обычная оплата картой
имеем собственное производство
Широкий ассортимент
производим оборудование
Собственное производство
довольные клиенты
Гарантия возврата денег
довольные клиенты
Рассрочка без переплаты на 6 месяцев
Приготовление продукта
Быстрая доставка в любой город России
no no